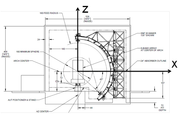
SRC's spherical near-field scanner is designed to characterize a wide variety of antenna systems and was specifically optimized to meet the accuracy, digital control interface, power, weight, and cooling requirements of modern active phased array radar systems. The system accommodates test articles up to 15 feet in diameter weighing more than 10,000 lbs and operating as high as 18 GHz.
The spherical measurement surface includes the complete upper hemisphere and extends to 45° below the horizon. A theta over phi positioner movement allows the center of gravity of a heavy antenna under test to remain centered over the phi axis. Theta axis motion extends below floor grade to allow low angle scanning while the AUT is conveniently located at floor level. The precise measurements of electromagnetic Near-fields over the spherical surface are mathematically transformed to far-field antenna patterns, allowing extremely large apertures to be characterized.
The scanner is housed within a shielded enclosure that is fully treated with pyramidal
RF absorbing material providing a secure, RF quiet environment. A dedicated air handling unit provides constant ambient airflow compatible with high power radar transmitters. The entire chamber is isolated from host building vibrations.
Features
- 38’W x 44’L x 34’H anechoic chamber with 100 dB shielding effectiveness
- Chamber fully treated with 26” pyramidal absorber. (Reflectivity <-45 dB for frequencies > 1.2 GHz)
- Phi (Azimuth) positioner supports 20,000 lb. AUT with 25,000 overturning moment
- Large (10’x16’) equipment access door and welded steel chamber floor support heavy test articles (8600 lb. capacity fork lift available on site)
- FARO laser alignment system available for precise AUT registration
- Prime power available includes 208 VAC 3Φ and 120VAC 1Φ 60 Hz as well as 12KVA of variable frequency and voltage (400 Hz nominal)
- Phi positioner slip ring includes 6 high power (50A) contacts as well as Gigabit Ethernet and 10 discrete contacts for AUT control
- Chamber features multiple access set-up panels including filtered power feed-throughs and dedicated fiber optic Gigabit Ethernet
- Dedicated HVAC air handling unit delivers 7900CFM with cooling to maintain 72±2°F with a 36KW heat load
- Multi-sensor temperature data logger monitors temperature throughout the chamber during extended test activities
- Chamber protected by FM200 fire suppression system with VESDA detection system
Specifications
- Positioner configuration: MI-6850 Theta over Phi spherical scanner
- Nominal scan radius: 5 meters
- Measurement Surface: 135° in Theta, 360° in Phi
- Maximum AUT diameter: 180”
- Frequency Range: 0.4 – 18 GHz
- Measurement Probes: Open ended waveguide probes from 1 to 18 GHz, Log Periodic < 1 GHz
- Probe Polarization: Polarization positioner provides full polarization collections.
- Phi Axis RF Rotary Joint: Dual channel, 18 GHz
- RF Channel Multiplexer: 8 channel, 18 GHz
- Range Instrumentation: Agilent N5222A -419 network analyzer for both CW and pulsed mode
- Remote RF Source: Agilent MXG N5183B-UNZ (Fast Frequency Switching Option)
- Remote Mixers: Agilent 85309 test set with 85320 mixers
- Test modes: CW, pulsed, frequency converting AUT, digitizing AUT
- Multiplexed AUT Beam States: 1024 (Higher limits available)
- Software: MI-3000 data acquisition with MI-3046 NF-FF transformation
Measured Ku-Band Horn Pattern

Chamber Coordinate System

Our Chambers
Overview Sheet
Download PDF
Our Laboratories
Overview Sheet
Download PDF
|